产品介绍
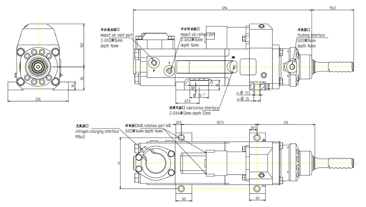
外形尺寸图
单位:mm

PD200液压凿岩机技术参数
| 结构参数 | 外形尺寸(不含钎尾) | mm | 695×226×246 |
| 重量 | KG | 108 | |
| 中心高 | mm | 160 | |
| 钎尾 | / | R32(内)/T38 | |
| 凿孔直径 | mm | 43~65 | |
| 扩孔直径 | mm | 76~89 | |
| 冲击性能参数 | 最大冲击功率 | KW | 16.4 |
| 最大冲击压力 | Bar | 160 | |
| 冲击频率 | Hz | 73 | |
| 流量 | L/min | 100 | |
| 冲击能 | J | 225 | |
| 开孔冲击压力 | Bar | 110 | |
| 推进参数 | 工作推进力 | KN | 6~10 |
| 开孔推进力 | KN | 4~6 | |
| 缓冲参数 | 缓冲进油流量 | L/min | - |
| 工作凿岩谖冲压力 | Bar | - | |
| 回转性能参数 | 排量 | CC | 160 |
| 最高转速 | Rpm | 205 | |
| 最大扭矩 | Nm | 650 | |
| 最大进油压力 | Bar | 170 | |
| 最大流量 | L/min | 60 | |
| 充气参数 | 高压氮气压力 | Bar | 70 |
| 缓冲氮气压力 | Bar | - | |
| 其他参数 | 水压 | Bar | 10 |
| 水流量 | L/min | 50 | |
| 润滑气雾压力 | Bar | 2.5~3.5 | |
| 润滑气对应流量 | L/S | 3.5 |
产品询价
*注意:请务必准确填写信息并保持沟通畅通,我们会尽快与您取得联系
相关产品