产品介绍
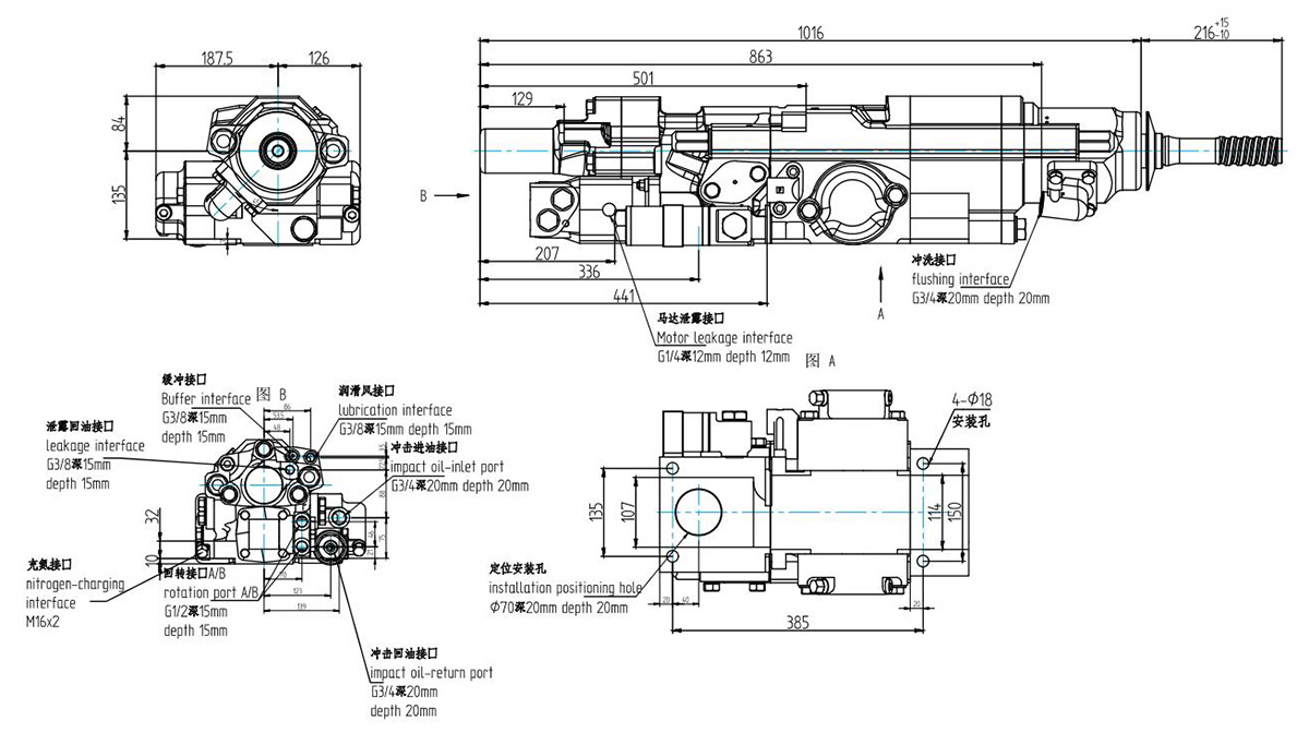
外形尺寸图
单位:mm

PD440UP+液压凿岩机技术参数
| 结构参数 | 外形尺寸(不含钎尾) | mm | 1016×313.5×226 |
| 重量 | KG | 195 | |
| 中心高 | mm | 84 | |
| 钎尾 | / | T45 | |
| 凿孔直径 | mm | 76~115 | |
| 冲击性能参数 | 最大冲击功率 | KW | 28 |
| 最大冲击压力 | Bar | 210 | |
| 冲击频率 | Hz | 63 | |
| 流量 | L/min | 108 | |
| 冲击能 | J | 440 | |
| 开孔冲击压力 | Bar | 130 | |
| 推进参数 | 工作推进力 | KN | 11~12 |
| 开孔推进力 | KN | 6~7 | |
| 缓冲参数 | 缓冲进油流量 | L/min | 2 |
| 工作凿岩谖冲压力 | Bar | 75 | |
| 回转性能参数 | 排量 | CC | 250 |
| 最高转速 | Rpm | 140 | |
| 最大扭矩 | Nm | 1670 | |
| 最大进油压力 | Bar | 200 | |
| 最大流量 | L/min | 75 | |
| 充气参数 | 高压氮气压力 | Bar | 95~100 |
| 缓冲氮气压力 | Bar | 30~40 | |
| 其他参数 | 水压 | Bar | 10 |
| 水流量 | L/min | 70 | |
| 润滑气雾压力 | Bar | 2.5~3.5 | |
| 润滑气对应流量 | L/S | 4.5 |
关键词:
PD440UP+凿岩机
产品询价
*注意:请务必准确填写信息并保持沟通畅通,我们会尽快与您取得联系
相关产品